Your Blueprint, Our Precision: A Guide to Custom Aluminum Extrusion
From Design to Reality: The Complete OEM/ODM Process for Custom Aluminum Extrusion Profiles at Your Factory
Bruce
11/29/20251 min read


Turn Your Designs into Precision Aluminum Profiles
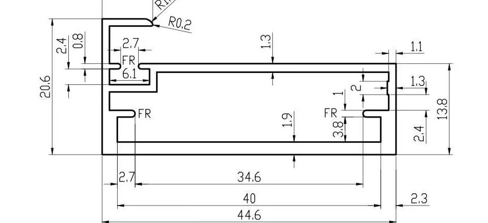
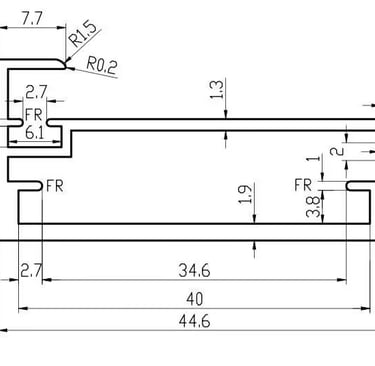
Do you have a unique design for furniture, frames, or any application requiring a specific custom aluminum extrusion? Our factory specializes in turning your concepts into high-precision reality. We offer comprehensive ODM/OEM aluminum extrusion services, ensuring your product is built exactly to your specifications, from a simple aluminum profile sketch to a finished product.
Our Simple Customization Process
We have streamlined our aluminum extrusion process to be straightforward and efficient:
Submit Your Drawing: Simply provide us with your technical drawing or aluminum profile sketch. This is the first and most crucial step in our custom extrusion service.
Expert Review & Quotation: Our engineering team will conduct a custom extrusion mold design review. We then provide you with a transparent custom profile EXW price.
Confirmation & Production: Once the quote is confirmed and a custom aluminum mold is finalized, we proceed with precision manufacturing using our aluminum extrusion manufacturing capabilities.
Quality Assurance & Delivery: Every meter of profile undergoes strict checks before being prepared for delivery to you.
Understanding Custom Pricing
We believe in clear and upfront pricing for our aluminum profile ODM/OEM projects.
Standard Custom Order: The custom aluminum MOQ is 1 ton. The cost starts at $4300 per ton.
Low-Volume Orders: For projects requiring less than 1 ton, we offer a flexible low-volume extrusion solution with a standard machine setup fee of $100.
Let's bring your innovative designs to life. Contact us today with your aluminum profile drawing to get started!
Address
Hengshui City, Hebei Province, China
Contacts
+86 19033390689
andy@sinohaike.com




